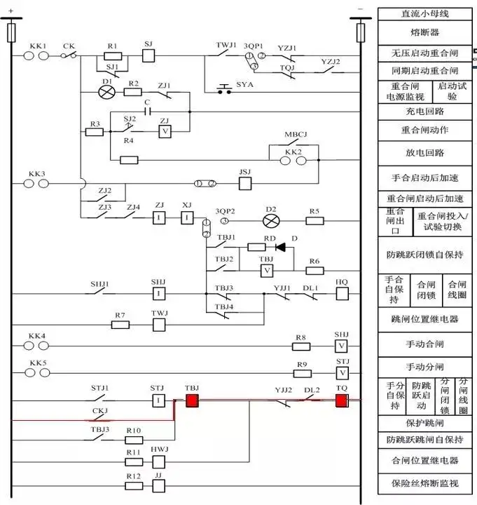
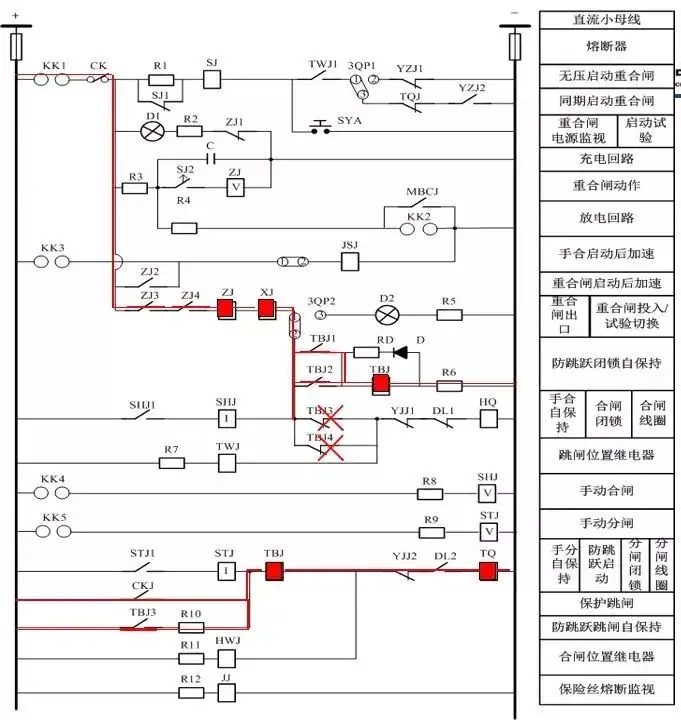
断路器的控制回路有哪些基本要求?二次回路怎么����� �������Ƴ������������ �������Ƴ������������ �������Ƴ����������� �������Ƴ�������看?
- 发表时间:2023-04-1����� �������Ƴ������������ �������Ƴ������������ �������Ƴ����������� �������Ƴ�������7
- 来源:网络
- 人气:
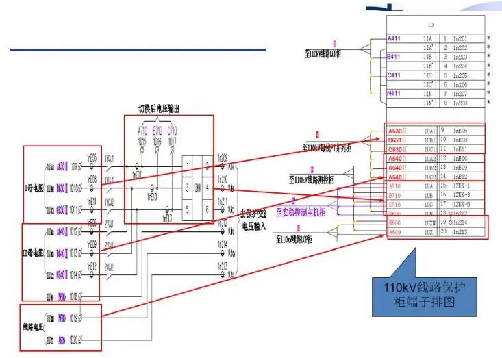
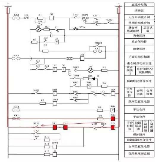
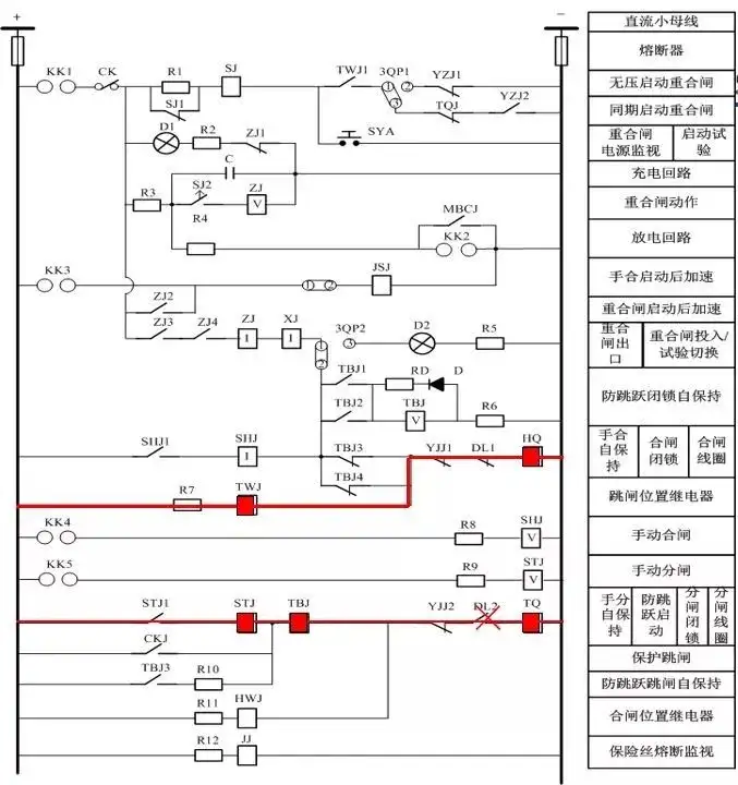
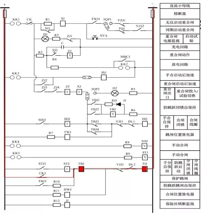
断路器的控制回路是最基础的二次回路。但是对����� �������Ƴ������������ �������Ƴ������������ �������Ƴ����������� �������Ƴ������于初学者要理解也并不容易����� �������Ƴ������������ �������Ƴ������������ �������Ƴ������������ �������Ƴ�������。那么今天就为大家分享一下关于断路器控����� �������Ƴ������������ �������Ƴ������������ �������Ƴ������������ �������Ƴ�������制回路的基础知识。希望对大家有所帮助,请往下看����� �������Ƴ������������ �������Ƴ������������ �������Ƴ������������ �������Ƴ������详细图解!
























































推荐资讯
- 2023-04-172022年中国低压电器市场白皮书
- 2023-04-172023-2029年中国低压电器行业前景����� �������Ƴ������������ �������Ƴ������������ �������Ƴ������������ �������Ƴ�������展望与市场调查预测报告
- 2023-04-17创业板新股未来电器破发!聚焦低压断路器附件,盈����� �������Ƴ������������ �������Ƴ������������ �������Ƴ������������ �������Ƴ�������利能力下滑
- 2023-04-17断路器的分类、选型和保护����� �������Ƴ������������ �������Ƴ������������ �������Ƴ������������ �������Ƴ�������整定
- 2023-04-17断路器的控制回路有哪些基本����� �������Ƴ������������ �������Ƴ������������ �������Ƴ������������ �������Ƴ�������要求?二次回路怎么看?
- 2023-04-17什么是电气接地?电气接地有什么方式?����� �������Ƴ����������� �������Ƴ������������ �������Ƴ����������� �������Ƴ�������
- 2023-04-17住宅强弱电怎么设计?强电跟弱电如何区分?用����� �������Ƴ������������ �������Ƴ������������ �������Ƴ������������ �������Ƴ������最直白方式告诉你!
- 2023-04-17低压断路器知识详解
- 2019-12-04漏电断路器和塑料外壳式断路器有什么区别
推荐产品
-
JQM1-800/3300塑料外壳式断路器
塑壳断路器也被称为装置式断路器,����� �������Ƴ������������ �������Ƴ������������ �������Ƴ����������� �������Ƴ�������所有的零件都密封于塑料外壳中����� �������Ƴ������������ �������Ƴ������������ �������Ƴ������������ �������Ƴ�������,辅助触点,欠电压脱扣器以及分励脱扣器等多采����� �������Ƴ������������ �������Ƴ������������ �������Ƴ������������ �������Ƴ������用模块化。由于结构非常紧凑,塑壳断路器基本����� �������Ƴ������������ �������Ƴ������������ �������Ƴ������������ �������Ƴ�������无法检修。其多采用手动操作,大容量可选择����� �������Ƴ������������ �������Ƴ������������ �������Ƴ������������ �������Ƴ�������电动分合。由于 -
JQM1-1250/3300塑料����� �������Ƴ����������� �������Ƴ������������ �������Ƴ������������ �������Ƴ�������外壳式断路器
塑壳断路器也被称为装置式断路器,所有的����� �������Ƴ������������ �������Ƴ������������ �������Ƴ����������� �������Ƴ�������零件都密封于塑料外壳中,辅助触点,欠电压����� �������Ƴ������������ �������Ƴ������������ �������Ƴ������������ �������Ƴ�������脱扣器以及分励脱扣器等多采用����� �������Ƴ������������ �������Ƴ������������ �������Ƴ������������ �������Ƴ�������模块化。由于结构非常紧凑,塑壳断路器基本����� �������Ƴ������������ �������Ƴ������������ �������Ƴ������������ �������Ƴ�������无法检修。其多采用手动操作,大容量可选择电动分合����� �������Ƴ������������ �������Ƴ������������ �������Ƴ������������ �������Ƴ�������。由于 -
JQM1-63/3300塑料外壳式断路器
塑壳断路器能够在电流超过跳脱设����� �������Ƴ������������ �������Ƴ������������ �������Ƴ������������ �������Ƴ�������定后自动切断电流。塑壳指的是用塑料绝缘体来作����� �������Ƴ������������ �������Ƴ������������ �������Ƴ������������ �������Ƴ�������为装置的外壳,用来隔离导����� �������Ƴ������������ �������Ƴ������������ �������Ƴ������������ �������Ƴ�������体之间以及接地金属部分。塑壳断路器通����� �������Ƴ������������ �������Ƴ������������ �������Ƴ������������ �������Ƴ�������常含有热磁跳脱单元,而大型号的塑壳断路器����� �������Ƴ������������ �������Ƴ������������ �������Ƴ������������ �������Ƴ������会配备固态跳脱传感器。其脱 -
JQM1-125/330����� �������Ƴ������������ �������Ƴ������������ �������Ƴ������������ �������Ƴ�������0塑料外壳式断路器
塑壳断路器也被称为装置式断路器,所����� �������Ƴ������������ �������Ƴ������������ �������Ƴ������������ �������Ƴ�������有的零件都密封于塑料外壳中,辅助触点,欠电����� �������Ƴ����������� �������Ƴ������������ �������Ƴ������������ �������Ƴ�������压脱扣器以及分励脱扣器等多采用模块化。由于结构非����� �������Ƴ����������� �������Ƴ������������ �������Ƴ������������ �������Ƴ�������常紧凑,塑壳断路器基本无法检修。其多采����� �������Ƴ������������ �������Ƴ������������ �������Ƴ������������ �������Ƴ������用手动操作,大容量可选择电动分����� �������Ƴ������������ �������Ƴ������������ �������Ƴ������������ �������Ƴ�������合。由于
热销产品
最新资讯
- 02022年中国低压电器市����� �������Ƴ������������ �������Ƴ������������ �������Ƴ������������ �������Ƴ�������场白皮书
- 12023-2029年中国低压电器行业前景展望与����� �������Ƴ������������ �������Ƴ������������ �������Ƴ������������ �������Ƴ�������市场调查预测报告
- 2创业板新股未来电器破发!聚焦低压����� �������Ƴ������������ �������Ƴ������������ �������Ƴ������������ �������Ƴ�������断路器附件,盈利能力下滑
- 3断路器的分类、选型和保护整定
- 4断路器的控制回路有哪些基本要求?二次回路����� �������Ƴ������������ �������Ƴ������������ �������Ƴ������������ �������Ƴ�������怎么看?
- 5什么是电气接地?电气接地有什����� �������Ƴ������������ �������Ƴ������������ �������Ƴ������������ �������Ƴ�������么方式?
- 6住宅强弱电怎么设计?强电跟弱电如何区分?用最����� �������Ƴ������������ �������Ƴ������������ �������Ƴ����������� �������Ƴ�������直白方式告诉你!
- 7低压断路器知识详解
- 8漏电断路器和塑料外壳式断路器����� �������Ƴ������������ �������Ƴ������������ �������Ƴ������������ �������Ƴ�������有什么区别
文章排行
- 0什么是电气接地?电气接地有什么方式?
- 12022年中国低压电器市场白皮书
- 22023-2029年中国低压电器行业����� �������Ƴ����������� �������Ƴ������������ �������Ƴ����������� �������Ƴ�������前景展望与市场调查预测报����� �������Ƴ������������ �������Ƴ������������ �������Ƴ������������ �������Ƴ�������告
- 3住宅强弱电怎么设计?强电跟弱电����� �������Ƴ������������ �������Ƴ������������ �������Ƴ������������ �������Ƴ�������如何区分?用最直白方式告诉你!
- 4低压断路器知识详解
- 5断路器的分类、选型和保护整定
- 6创业板新股未来电器破发!聚焦低压断路器附件,盈利����� �������Ƴ������������ �������Ƴ������������ �������Ƴ������������ �������Ƴ������能力下滑
- 7断路器的控制回路有哪些基本����� �������Ƴ������������ �������Ƴ������������ �������Ƴ������������ �������Ƴ�������要求?二次回路怎么看?
- 8漏电断路器和塑料外壳式断路器有什么区别



